

Multi-Port Centralized Lubrication System

| Model | Part Number |
|---|---|
| PUY-6 | 539291 |
Material ●: Iron(SCM435H)

| Model | Part Number |
|---|---|
| PUY-8 | 539292 |
Material ●: Iron(SCM435H)

| Model | Part Number |
|---|---|
| BPY | 530911 |
●Material:Aluminum(A2011)

| Model | Part Number |
|---|---|
| SWY | 530910 |
●Material:Resin(Teflon)

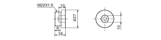
| Model | Part Number |
|---|---|
| RTY | 539310 |
Material ●: Iron (S45C)

| Model | Part Number |
|---|---|
| JVY | 530937 |
Material ●: Iron(S25C)

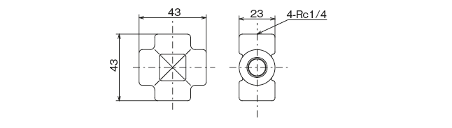
| Model | Part Number |
|---|---|
| SCY | 550130 |
Material ●: Iron(SGP)

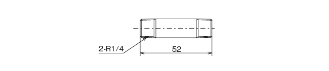
| Model | Part Number |
|---|---|
| GV50-R | 500649 |
