

Quantitative method

| AMI-300S | AMI-1000S | ||
|---|---|---|---|
| Pump | Discharge Volume | 300mℓ/min(50Hz) | 1000mℓ/min(50Hz) |
| 330mℓ/min(60Hz) | 1100mℓ/min(60Hz) | ||
| Discharge Pressure | 2.5MPa(safety valve set pressure) | ||
|
Motor (Other voltages available)* |
Voltage / Current | AC100Vφ1/0.76/0.74A (Condesor11μF) AC200Vφ3/0.32A/0.3A |
AC100Vφ1/1.2/1.19A(50Hz) (Condesor20μF) AC200Vφ3/0.5/0.43A |
| Output | 40W Induction motor | 60W Induction motor | |
| Operation Rating | Discharge time 3 minutes or less Pause time 3 minutes or more. | ||
| Operating viscosity range | 65〜1300mm2/s(50Hz) | ||
| Reservoir Capacity | Standard products are available up to 50 liters. Please prepare more than that. | ||
| Weight | 4.4kg | 7.1kg | |
| Other | Motor rotary direction: Clockwise | MotorRotation direction: counterclockwise | |
| External fuse | 100V/1.5A 200V/1A | 100V/2A 200V/1A | |
* The following specifications are also available as special specifications. Please consult separately.
・Compatibility with different voltages (AC110V, 220V, 380V, etc.)
・Motor Output compatible (up to 400W available)
Although the viscosity has been around 3,000 mm2 / s due to motor output change, the metering valve may not operate properly depending on the diameter and length of the piping material used, so please be sure to consult separately.
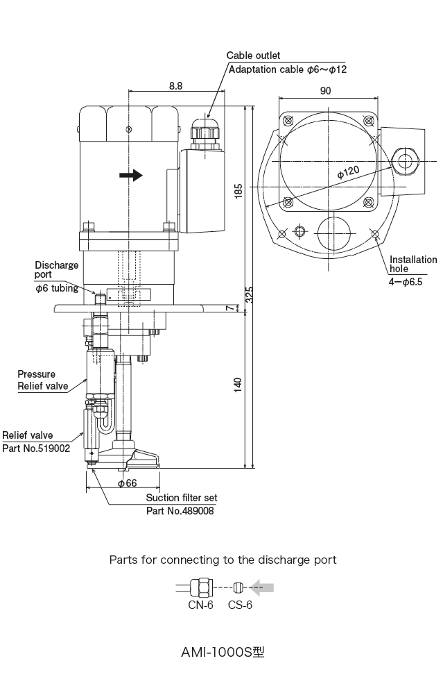
| Model | Part Number |
|---|---|
| AMI-1000S-1 | 202103 |
| AMI-1000S-2 | 202101 |
| AMI-300S-1 | 202033 |
| AMI-300S-2 | 202034 |
● Replace or clean the suction filter once a year.
● Since the viscosity of oil changes depending on the oil temperature in summer and winter, be careful to use it within the operating viscosity range. Please see the viscosity table.
● Do not use special additive oil, water-soluble oil or solvent.
● Regularly inspect the oil in use for contamination, etc. If any are found, immediately flush the tank and replace it with new oil.
● Please be careful about mistakes such as voltage.
● Do not overtighten the outlet fitting. Please refer to the tightening torque chart.
● Check the rotation direction of the motor. Do not turn the pump upside down or sideways.
● If you want to increase the length of the suction, please contact our Global Center. (If using an oil level switch, please consult with the length.)



