PRODUCT
DOWNLOAD
NETWORK
CONTACT
Foreign
JAPANESE
CHINESE
GLOBAL HOME
Login
★
Home
Product
Piping Parts
General
Sealing Washer
Please search in the Name, series name, Model.
Searchhttps://lube-global.com/english
about Discontinued product
Tubing Parts
General
Sealing Washer
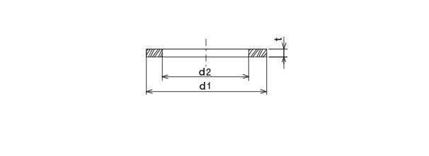
Sealing washer Dimensions
Model
Part Number
d1(φ)
d2(φ)
t
SW-10
207611
14
10.1
1
SW-12
207612
16
12.1
1.5
●Material:Copper(C2600)
Related product
To The Top Of This Page
HOME
PRODUCT
DOWNLOAD
NETWORK
CONTACT
In using this site
Global Home
RECRUIT
COMPANY
PRIVACY POLICY
LUBE USA
Copyright(C) 2014 - 2026 LUBE Corporation All rights reserved.