

Resistance method


| Model | Part Number | Model | Part Number | |
|---|---|---|---|---|
| AMS-1-1 | 102401 | AMS-3-2 | 102406 | |
| AMS-1-1L | 102403 | AMS-3-2L | 102408 | |
| AMS-1-2 | 102402 | AMS-6-1 | 102489 | |
| AMS-1-2L | 102404 | AMS-6-1L | 112094 | |
| AMS-3-1 | 102405 | AMS-6-2 | 102490 | |
| AMS-3-1L | 102407 | AMS-6-2L | 112095 |
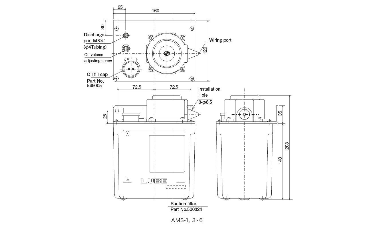
● Replace or clean the suction filter once a year. Please see the adaptation table.
● Since the viscosity changes depending on the oil temperature in summer and winter, be careful to use it within the Operating viscosity range. Please see the viscosity table.
● Do not use special additive oil, water-soluble oil or solvent.
● Regularly inspect the oil in use for contamination, etc. If any are found, immediately flush the Reservoir and replace with new oil.
● Please be careful about mistakes such as Voltage.
● Do not overtighten the outlet fitting. Please refer to the tightening torque chart.
| Pump | Discharge Volume | AMS-1:1.25mℓ/min(50Hz)、1.5mℓ/min(60Hz) |
| AMS-3 :2.5mℓ/min(50Hz)、3mℓ/min(60Hz) | ||
| AMS-6 :5mℓ/min(50Hz)、6mℓ/min(60Hz) | ||
| Discharge Pressure | 0.8MPa(safety valve set pressure) | |
| Motor(Different Voltage support can be done) | Voltage / Current | AC100Vφ1/50mA (50Hz) |
| AC200Vφ1/25mA | ||
| AC100Vφ1/42mA(60Hz) | ||
| AC200Vφ1/18mA | ||
| AC100Vφ1/25mA(50Hz) AC200Vφ1/18mA(60Hz) | ||
| Output | 3W Synchronous Motor | |
| Emergency Detection | Oil Level Switch | Contact type A Contact (NO) |
| ON at low level | ||
| Contact capacity 0.5A,AC DC200V/30W | ||
| smaller | ||
| Operation Rating | Continuous | |
| Operating viscosity range | 32〜1300mm²/s | |
| Reservoir Capacity | 1.8ℓ、3ℓ(plastic) 3ℓ、4ℓ、8ℓ(sheet metal) | |
| Weight | 1.8kg | |
Incorrect handling may result in death or damage.
Under certain conditions, there is a possibility of electric shock.
![]()
Be sure to connect the ground wire.
| Replacement Motor Model | Voltage | Part Number | Target Pump |
|---|---|---|---|
| M-B1 | 100V | 521194 | AMS-1 |
| M-B2 | 200V | 521196 | |
| M-B1 | 100V | 521194 | AMS-3 |
| M-B2 | 200V | 521196 | |
| M-A1 | 100V | 521210 | AMS-6 |
| M-A2 | 200V | 521328 |

Single Line Resistance Valve (Continuous) Control unit
Junctions for Main Tubing PJ
Tubing LineUp
Puressure gauge
Line Filter
CN · CB · CS · TI type(Compression・Parts)
Puressure Switch
Adapters SA
Resin reservoirs 0.8/1.8ℓ
Metal reservoirs 3ℓ
Resin reservoirs 3ℓ
Metal reservoirs 4ℓ
Metal reservoirs 8ℓ