

Resistance method

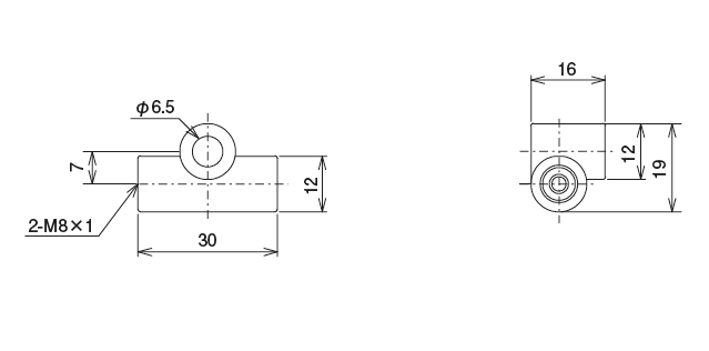
| Model | Part Number | Specifications |
|---|---|---|
| PJ-2 | 106421 | 2 way |
●Material:Zinc die casting (ZDC)

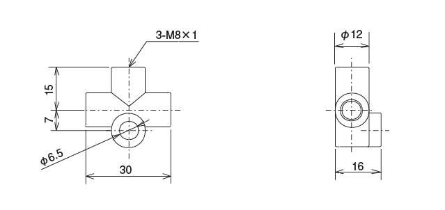
| Model | Part Number | Specifications |
|---|---|---|
| PJ-2F | 106424 | 2 way |
●Material:Zinc die casting (ZDC)

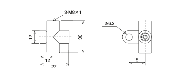
| Model | Part Number | Specifications |
|---|---|---|
| PJ-3 | 106420 | 3 way |
●Material:Zinc die casting (ZDC)

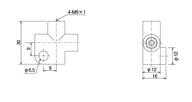
| Model | Part Number | Specifications |
|---|---|---|
| PJ-3F | 106425 | 3 way |
●Material:Zinc die casting (ZDC)

| Model | Part Number | Specifications |
|---|---|---|
| PJ-4 | 106423 | 4 way |
●Material:Zinc die casting (ZDC)

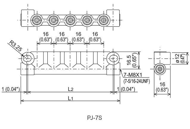
| Model | Part Number | Specifications | Size | ||
|---|---|---|---|---|---|
| M8×15/16-24 UNF | L1 | L2 | |||
| PJ-4S | 106401 | 186401 | Single type for 2 ports | 47 (1.85″) | 34 (1.34″) |
| PJ-5S | 106402 | 186402 | Single type for 3 ports | 63 (2.48″) | 50 (1.97″) |
| PJ-6S | 106403 | 186403 | Single type for 4 ports | 79 (3.11″) | 66 (2.60″) |
| PJ-7S | 106404 | 186404 | Single type for 5 ports | 95 (3.74″) | 82 (3.23″) |
| PJ-8S | 106405 | 186405 | Single type for 6 ports | 111 (4.37″) | 98 (3.86″) |
| PJ-9S | 106406 | 186406 | Single type for 7 ports | 127 (5.00″) | 114 (4.49″) |
| PJ-10S | 106407 | 186407 | Single type for 8 ports | 143 (5.63″) | 130 (5.12″) |
| PJ-12S | 106408 | 186408 | Single type for 10 ports | 175 (6.89″) | 162 (6.38″) |

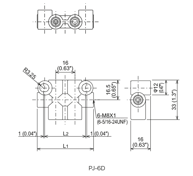
| Model | Part Number | Specifications | Size | ||
|---|---|---|---|---|---|
| M8×15/16-24 UNF | L1 | L2 | |||
| PJ-6D | 106411 | 186411 | Double type 4 ports | 47 (1.85″) | 34 (1.34″) |
| PJ-8D | 106412 | 186412 | Double type 6 ports | 63 (2.48″) | 50 (1.97″) |
| PJ-10D | 106413 | 186413 | Double type 8 ports | 79 (3.11″) | 66 (2.60″) |
| Model | Part Number | Specifications | Size | |
|---|---|---|---|---|
| L1 | L2 | |||
| PJ-12D | 106414 | Double type 10 ports | 82(3.23″) | 94(3.70″) |
| PJ-14D | 106415 | Double type 12 ports | 98(3.86″) | 110(4.33″) |
| PJ-16D | 106416 | Double type 14 ports | 114 (4.49″) | 126(4.96″) |