

Accessories

| Contact Type | A Contact (NO) ON at low level |
| Contact capacity | 0.5A,AC DC200V/30Wsmaller |
| Working temperature range | -10〜80℃(limited to liquid nonfreezing condition) |
| Working liguid specific gravity | 0.7 or more |
| Max. pressure | 0.1MPa |
| Model | Part Number | ContactModel | Specification |
|---|---|---|---|
| W-105-02 | 109704 | AContact | Without terminal box Cord length 20cm |
| W-105-02(B) | 109705 | BContact | |
| W-105B | 109706 | AContact | With terminal box |
| W-105B(B) | 109707 | BContact |
| Model | Part Number | Terminal box | L1 | L2 |
|---|---|---|---|---|
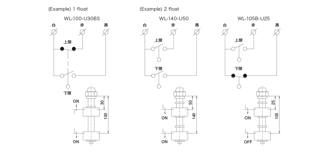
| WL-100-U30BS | 109221 | ― | 100 | 30 |
| WL-105-U32BS | 109222 | 105 | 32 | |
| WL-120-U50BS | 109223 | 120 | 50 | |
| WL-150-U35BS | 109224 | 150 | 35 | |
| WL-150-U50BS | 109225 | 150 | 50 | |
| WL-160-U80BS | 109226 | 160 | 80 | |
| WL-190-U80BS | 109227 | 190 | 80 | |
| WL-210-U50BS | 109228 | 210 | 50 | |
| WTL-100-U30BS | 109271 | ○ | 100 | 30 |
| WTL-105-U32BS | 109272 | 105 | 32 | |
| WTL-120-U50BS | 109273 | 120 | 50 | |
| WTL-150-U35BS | 109274 | 150 | 35 | |
| WTL-150-U50BS | 109275 | 150 | 50 | |
| WTL-160-U80BS | 109276 | 160 | 80 | |
| WTL-190-U80BS | 109277 | 190 | 80 | |
| WTL-210-U50BS | 109278 | 210 | 50 |

| Model | Part Number | Terminal box | L1 | L2 |
|---|---|---|---|---|
| WL-140-U50 | 109326 | ― | 140 | 50 |
| WL-150-U25 | 109330 | 150 | 25 | |
| WL-200-U50 | 109490 | 200 | 50 | |
| WL-213-U84 | 109267 | 213 | 84 | |
| WL-220-U150 | 109346 | 220 | 150 | |
| WL-230-U30 | 109237 | 230 | 30 |
| Model | Part Number | Terminal box | L1 | L2 |
|---|---|---|---|---|
| WL-105B-U25 | 109333 | ― | 105 | 25 |
| WL-105B-U32 | 109358 | 105 | 32 | |
| WL-200B-U50 | 109728 | 200 | 50 | |
| WL-210B-U50 | 109220 | 210 | 50 | |
| WL-210B-U50 | 109486 | 210 | 50 | |
| WL-213B-U84 | 109379 | 213 | 84 |

