

Quantitative method

For tightening torque
Please refer to thetightening torque list here!


| Discharge volume(mℓ) | Mark | Model |
|---|---|---|
| 0.005 | 5 | MIX-S-05 |
| 0.01 | 1 | MIX-S-1 |
| 0.015 | 1.5 | MIX-S-1.5 |
| 0.03 | 3 | MIX-S-3 |
| 0.05 | 5 | MIX-S-5 |
●Material:Aluminum
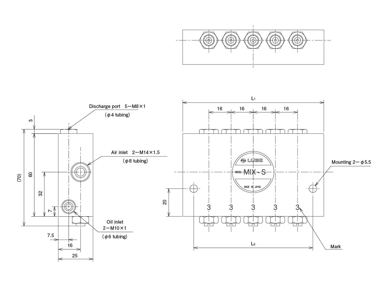
| Number of Ports | 1port | 2port | 3port | 4port | 5port | 6port |
|---|---|---|---|---|---|---|
| L1 | 38 | 54 | 70 | 86 | 102 | 118 |
| L2 | 22 | 38 | 54 | 70 | 86 | 102 |
※ Model is taken by discharge number of ports and discharge volume for MIX valve. Please contact our Global Center for setting.
| Discharge Volume | MIX-S: 0.005、0.01、0.015、0.03、0.05mℓ/stroke |
| Operating Pressure | 1.0MPa |
| Reset Pressure | 0.3MPa |
● As this is a precision part, be sure to read the instruction manual before using it.
