Don't stop the machine all over the worldDon't stop the machine all over the world

Oil lubrication system

Resistance method

Junction header

Junction header

Headers to be used with Flow and Control Unit.

  • Manual browse
  • Catalog PDF viewing
  • DXF drawing data viewing
  • STEP drawing data viewing

Dimensions

TA · TB · TC · TD ·TG ·  TH · TK · TL Type (junction header)
 Dimensions
ModelPart NumberT1T2
TA 106431 2-M8×1 Rc 1/8
TA 186431 2-5/16-24 UNF 1/8 NPT
ModelPart NumberT1T2
TB 106432 3-M8×1 Rc 1/8
TB 186432 3-5/16-24 UNF 1/8 NPT

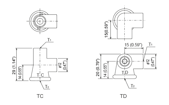
Dimensions

TA · TB · TC · TD ·TG ·  TH · TK · TL Type (junction header)
 Dimensions
ModelPart NumberT1T2
TC 106433 2-M8×1 Rc 1/8
TC 186433 2-5/16-24 UNF 1/8 NPT
ModelPart NumberT1T2
TD 106434 2-M8×1 Rc 1/8
TD 186434 2-5/16-24 UNF 1/8 NPT

●Material:Zinc die casting(ZDC)

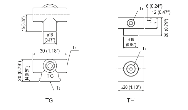
Dimensions

TA · TB · TC · TD ·TG ·  TH · TK · TL Type (junction header)
 Dimensions
ModelPart NumberT1T2
TG 106435 3-M8×1 Rc 1/8
TG 186435 4-5/16-24 UNF 1/8 NPT
ModelPart NumberT1T2
TH 106436 4-M8×1 Rc 1/8
TH 186436 4-5/16-24 UNF 1/8 NPT

 

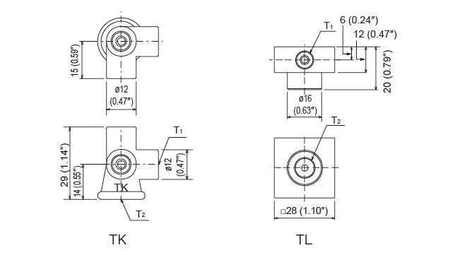
Dimensions

TA · TB · TC · TD ·TG ·  TH · TK · TL Type (junction header)
 Dimensions
ModelPart NumberT1T2
TK 106437 3-M8×1 Rc 1/8
TK 186437 3-5/16-24 UNF 1/8 NPT
ModelPart NumberT1T2
TL 106438 4-M8×1 Rc 1/8
TL 186438 4-5/16-24 UNF 1/8 NPT

 

Related product

To The Top Of This Page