

Accessories
End discharge detection and temperature detection of genuine grease
| Contact configuration | B contact |
| Rated Voltage | DC3~DC24V |
| Rated current | 5mA |
| Used Grease | LHL- X100 |
| Operating envIronment temperature | 0℃~40℃ |
| standard | IP67 (Get planned), RoHS2 |
| Mounting Directions | No limit |
| Used grease piping length | NT-4, NT-4H, ST-4Z, CT-4 Length 2000 mm or less |
| Connected metering valve | MU valve (Discharge Amount 0.05 to 0.5 ml) |
| Connection screw diameter | M6 × 0.75 taper, M6 × 1 taper, M8 × 1.25 taper, R1 / 8 (Use as a swivel joint is not possible) |
| Piping connection port | One-touch type, bushing (using CB-4) |
| wiring | Exterior PVCφ 5.2 Length 2500 mm, 4 wires (for contacts, for thermocouples) Minimum bending radius 30 mm (M8 connector included) |
| Built-in temperature sensor | K-type thermocouple |
| Temperature measurement range | 0℃~90℃ |



EPM
| Model | Part Number | lubricant | Screw Size |
| EPM-L-01-W-2.5-C | 420100 | LHL W | R1/8 |
| EPM-L-02-W-2.5-C | 420101 | M6×0.75 taper | |
| EPM-L-03-W-2.5-C | 420102 | M6×1.0 taper | |
| EPM-L-04-W-2.5-C | 420103 | M8×1.25 taper | |
| EPM-L-01-B-2.5-C | 420104 | R1/8 | |
| EPM-L-02-B-2.5-C | 420105 | M6×0.75 taper | |
| EPM-L-03-B-2.5-C | 420106 | M6×1.0 taper | |
| EPM-L-04-B-2.5-C | 420107 | M8×1.25 taper | |
| EPM-L-01-W-2.5 | 420110 | LHL W | R1/8 |
| EPM-L-02-W-2.5 | 420111 | M6×0.75 taper | |
| EPM-L-03-W-2.5 | 420112 | M6×1.0 taper | |
| EPM-L-04-W-2.5 | 420113 | M8×1.25 taper | |
| EPM-L-01-B-2.5 | 420114 | LHL B | R1/8 |
| EPM-L-02-B-2.5 | 420115 | M6×0.75 taper | |
| EPM-L-03-B-2.5 | 420116 | M6×1.0 taper | |
| EPM-L-04-B-2.5 | 420117 | M8×1.25 taper | |
| EPM-H-01-W-2.5-C | 420200 | FS2-W | R1/8 |
| EPM-H-02-W-2.5-C | 420201 | M6×0.75 taper | |
| EPM-H-03-W-2.5-C | 420202 | M6×1.0 taper | |
| EPM-H-04-W-2.5-C | 420203 | M8×1.25 taper | |
| EPM-H-01-B-2.5-C | 420204 | FS2-B | R1/8 |
| EPM-H-02-B-2.5-C | 420205 | M6×0.75 taper | |
| EPM-H-03-B-2.5-C | 420206 | M6×1.0 taper | |
| EPM-H-04-B-2.5-C | 420207 | M8×1.25 taper | |
| EPM-H-01-W-2.5 | 420210 | FS2-W | R1/8 |
| EPM-H-02-W-2.5 | 420211 | M6×0.75 taper | |
| EPM-H-03-W-2.5 | 420212 | M6×1.0 taper | |
| EPM-H-04-W-2.5 | 420213 | M8×1.25 taper | |
| EPM-H-01-B-2.5 | 420214 | FS2-B | R1/8 |
| EPM-H-02-B-2.5 | 420215 | M6×0.75 taper | |
| EPM-H-03-B-2.5 | 420216 | M6×1.0 taper | |
| EPM-H-04-B-2.5 | 420217 | M8×1.25 taper | |
| EPM-O-01-W-2.5-C | 420300 | OIL-W | R1/8 |
| EPM-O-02-W-2.5-C | 420301 | M6×0.75 taper | |
| EPM-O-03-W-2.5-C | 420302 | M6×1.0 taper | |
| EPM-O-04-W-2.5-C | 420303 | M8×1.25 taper | |
| EPM-O-01-B-2.5-C | 420304 | OIL-B | R1/8 |
| EPM-O-02-B-2.5-C | 420305 | M6×0.75 taper | |
| EPM-O-03-B-2.5-C | 420306 | M6×1.0 taper | |
| EPM-O-04-B-2.5-C | 420307 | M8×1.25 taper | |
| EPM-O-01-W-2.5 | 420310 | OIL W | R1/8 |
| EPM-O-02-W-2.5 | 420311 | M6×0.75 taper | |
| EPM-O-03-W-2.5 | 420312 | M6×1.0 taper | |
| EPM-O-04-W-2.5 | 420313 | M8×1.25 taper | |
| EPM-O-01-B-2.5 | 420314 | OIL B | R1/8 |
| EPM-O-02-B-2.5 | 420315 | M6×0.75 taper | |
| EPM-O-03-B-2.5 | 420316 | M6×1.0 taper | |
| EPM-O-04-B-2.5 | 420317 | M8×1.25 taper |
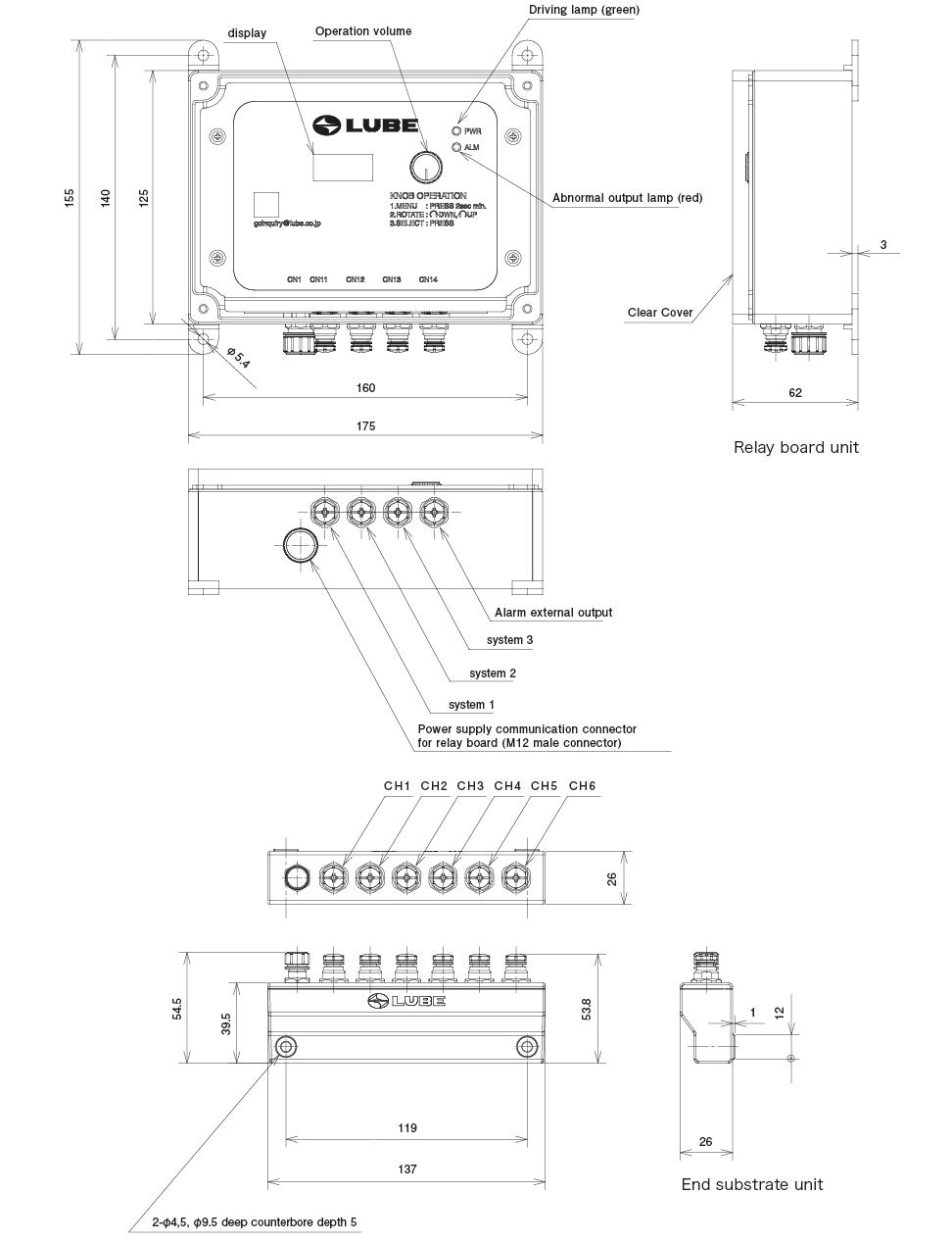
Relay board unit
| Model | Part Number. |
|---|---|
| EPM-RU-3-1 | 420150 |
End substrate unit
| Model | Part Number |
|---|---|
| EPM-EU-6 | 420151 |
