

General

| Model | Part Number | Tube outer diameter (φ) | T | d1(φ) | d2(φ) | B |
|---|---|---|---|---|---|---|
| CN-4 | 106251 | 4 | M8×1 | 4.2 | 10 | 10 |
| CN-4-B | 166268 | — | ||||
| CN-6 | 206251 | 6 | M10×1 | 6.2 | 12 | 12 |
●Material:Brass(C3604)
CN-4-B is a dedicated part.

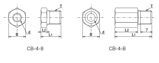
| Model | Part Number | Tube outer diameter (φ) | T | d(φ) | L1 | L2 | B |
|---|---|---|---|---|---|---|---|
| CB-4-8 | 106253 | 4 | M8×1 | 4.2 | 11.6 | 4 | 8 |
| CB-4-B | 166253 | 20 | 12 | ||||
| CB-6 | 206252 | 6 | M10×1 | 6.2 | 12.5 | 4 | 10 |
| CB-6-B | 166255 | 20 | 12 | ||||
| CB-8 | 207252 | 8 | M14×1.5 | 8.2 | 16 | 4.5 | 14 |
●Material:Brass(C3604)
CB-4-B and CB-6-B are dedicated parts.

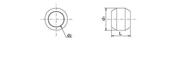
| Model | Part Number | Tube outer diameter (φ) | d1(φ) | d2(φ) | L |
|---|---|---|---|---|---|
| CS-4 | 106254 | 4 | 6 | 4.1 | 5 |
| CS-6 | 206254 | 6 | 8 | 6.1 | 6 |
| CS-8 | 207254 | 8 | 10 | 8.1 | 6.5 |
●Material:Brass(C3604)

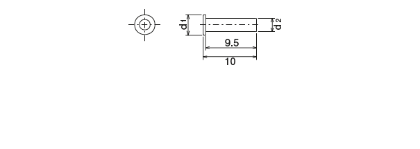
| Model | Part Number | Tube outer diameter (φ) | d1(φ) | d2(φ) |
|---|---|---|---|---|
| TI-4 | 106271 | 4 | 3.8 | 2.5 |
| TI-6 | 206271 | 6 | 5.8 | 4 |
| TI-8 | 207271 | 8 | 7.8 | 6 |
●Material:Brass(C2680)