

General
| Working Pressure | Use of oil: Guaranteed value 3 MPa or less (actual value 4 MPa) |
| Use of grease: Guaranteed value 4 MPa or less (actual value 5 MPa) | |
| Repeated pressure number | Oil use: 1 million times |
| Grease use: 100,000 times | |
| Liquid solution | Lubricant |
| Minimum viscosity used | 2 mm 2 / s or more |
| Operating envIronment temperature | 0〜60℃ |
| Vibration resistance | 4.5G 10 to 55Hz, 9G 55Hz (fixed) |

| Model | Part Number | Outer Diameter of Pipe(φ) | T | B | L1 | L2 |
|---|---|---|---|---|---|---|
| KBC4-01-F | 209503 | 4 | R1/8 | HEX10 | 21 | 8 |
| KBC4-02-F | 209504 | R1/4 | HEX14 | 11 | ||
| KBC4-M6-F | 209501 | M6×1.0 | HEX10 | 4.5 | ||
| KBC4-M6P0.75-F | 209502 | M6×0.75 | 20 | 3.5 | ||
| KBC6-01-F | 209513 | 6 | R1/8 | HEX12 | 22.6 | 8 |
●Material: Brass(C3604)

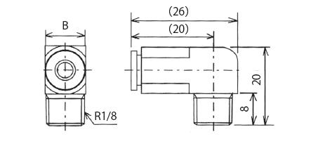
| Model | Part Number | Outer Diameter of Pipe(φ) | T | B | L1 | L2 | L3 | L4 |
|---|---|---|---|---|---|---|---|---|
| KBL4-01-FN | 209508 | 4 | R1/8 | HEX10 | 26 | 21 | 8 | 17.4 |
| KBL4-M6-FN | 209506 | M6×1.0 | HEX8 | 22.5 | 17.5 | 4.5 | ||
| KBL6-01-F | 209518 | 6 | R1/8 | HEX10 | 27.5 | 21.5 | 8 | 20.2 |
●Material: Brass(C3604)
※ Elbow rotation type: The rotation type is for the purpose of positioning at the time of piping, and it is not for the purpose of using it for the moving part.

| Model | Part Number | Outer Diameter of Pipe(φ) |
|---|---|---|
| KBE4-01-F | 209523 | 4 |
●Material: Brass(C3604)
| Best Working Pressure | 6MPa |
| Operating viscosity range | 10 mm2 / s or more |
| Vibration resistance | 9 G or less |
※Usable pipe is nylon pipe. (Use a nylon pipe made of Lube.)

| Model | Part Number | Outer Diameter of Pipe(φ) | L1 | L2 | B |
|---|---|---|---|---|---|
| OTS-4 | 106369 | 4 | 25 | 22 | 10 |
| OTS-6 | 206152 | 6 | 27 | 24 | 12 |
●Material: Brass

| Model | Part Number | Outer Diameter of Pipe(φ) | B |
|---|---|---|---|
| OTE-4 | 106373 | 4 | 10 |
| OTE-6 | 206155 | 6 | 12 |
●Material: Brass