

General

| Model | Part Number | Outer Diameter of Pipe(φ) | L1 | L2 | T1 | T2 | B |
|---|---|---|---|---|---|---|---|
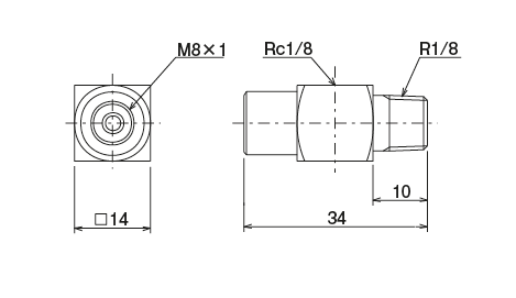
| EA4-20 | 106021 | 4 | 20 | 8 | M8×1 | R1/8 | 14 |
| EA4-25 | 106022 | 25 | 13 | ||||
| EA4-30 | 106023 | 30 | 18 | ||||
| EA4-40 | 106024 | 40 | 28 | ||||
| EA4-50 | 106025 | 50 | 38 | ||||
| EA4-60 | 106026 | 60 | 48 | ||||
| EA4-2R | 206091 | 25 | 11 | R1/4 | |||
| EA6-22F | 206100 | 6 | 22 | 8 | M10×1 | R1/8 | 17 |
●Material: Brass(C3604

| Model | Part Number | Outer Diameter of Pipe(φ) |
|---|---|---|
| EA4-1F | 106031 | 4 |
●Material: Brass(C3604
CB-4 and CS-4 are required separately.
| Model | Part Number | Outer Diameter of Pipe(φ) |
|---|---|---|
| EAR-4 | 106071 | 4 |
●Material: Brass(C3604

| Model | Part Number | Outer Diameter of Pipe(φ) |
|---|---|---|
| EA4-8taper | 106037 | 4 |
●Material: Brass(C3604

| Model | Part Number | Outer Diameter of Pipe(φ) | L | T1 | T2 | B | Material |
|---|---|---|---|---|---|---|---|
| EA4-6A | 106076 | 4 | 20 | M8×1 | M6×1 | 14 | Brass(C3604) |
| EA4-6AS | 106074 | Iron(SS330B) | |||||
| EA4-6B | 106075 | M6×0.75 | Brass(C3604) | ||||
| EA4-US | 166036 | 1/4-28UNF | Iron(SUM-21) | ||||
| EA4-8B | 166054 | M8×1.25taper | Brass(C3604) | ||||
| EA6-6AS | 166048 | 6 | 22 | M10×1 | M6×1taper | 16 | Iron(SUM-21) |
| EA6-U | 166040 | 1/4-28UNF |

| Model | Part Number |
|---|---|
| TA4-1F | 106041 |
●Material: Brass(C3604)

| Model | Part Number |
|---|---|
| TAR-1F | 106051 |
●Material: Brass(C3604)