

Multi-Port Centralized Lubrication System

| Model | Part Number |
|---|---|
| YMT-3-1T-6 | 103990 |
| YMT-3-1T-8 | 103992 |
| YMT-5-1T-6 | 103991 |
| YMT-5-1T-8 | 103993 |

| Discharge pressure | Standard:25MPa Maximum: 35MPa |
| Discharge volume | 2.1mℓ/min(φ6)、3.9mℓ/min(φ8) |
| Number of elements | 1〜5 |
| Voltage | DC24V±10% |
| Reservoir Capacity | 4LCartridge grease |
| Guaranteed grease | Lube original grease |
| Working consistency | NGLI No.000、00、1、2 |
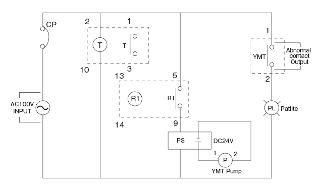
| Alarm Output | Grease abnormality, grease level abnormality |
| Weight | 6kg(Cartridge does not include) |

● Use manufacturer's guaranteed grease.
● Never use molybdenum disulfide grease.
● Use lithium grease. (If it is other than Lube original grease, please be sure to consult.)
● Be careful not to introduce foreign matter when replenishing grease or replacing cartridges.
● When replacing the cartridge, be careful not to let air enter Pump.
● After supplying grease, or after replacing the cartridge, be sure to open the air removal plug and remove the air inside the pump.


It is an original grease for the Lube Central Lubricant System developed from Lube's many 30 years of failure and problem solving.
Excellent mechanical stability Excellent heat resistance, oxidation stability Excellent water resistance, corrosion resistance Excellent load resistance
Suitable as lubricant for ball screws and guides used in high load and high load envIronments as guaranteed grease for element parts manufacturers.
High performance food grease with load bearing performance grease superior to conventional NSF H1 grease, guaranteed and verified for use in our centralized lubrication system
